
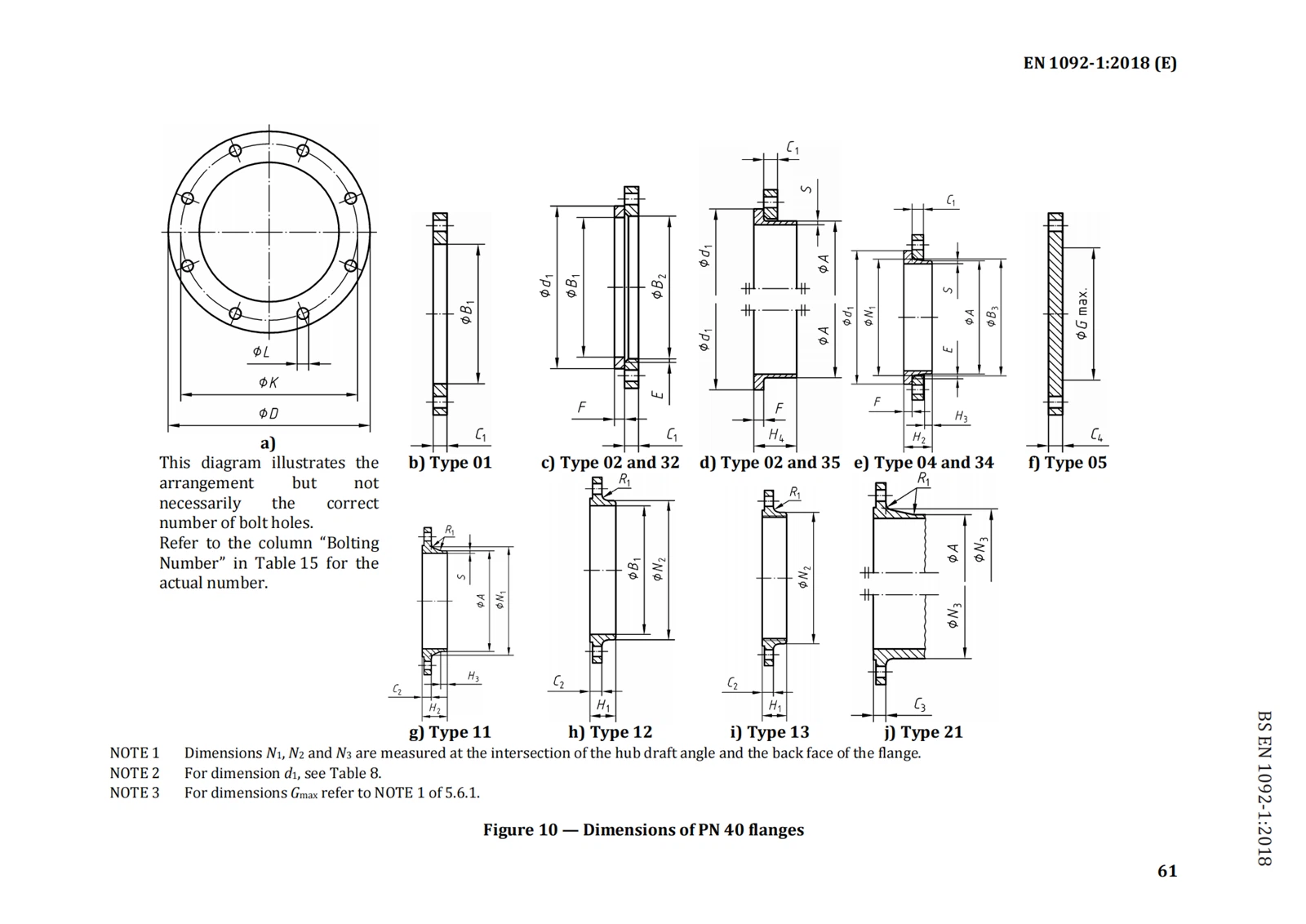
DIN EN 1092-1 A PN 40 karimák méretei
DIN EN 1092-1 PN 40 A karimák szabványos karimákra vonatkoznak, amelyeket olyan csőrendszerekben való használatra terveztek, ahol a megengedett legnagyobb nyomás nem haladja meg a PN 40-et (40 bar vagy körülbelül 580 psi). Ezek a karimák megfelelnek a DIN EN 1092-1 szabványnak, és széles körben használják a különböző iparágakban csövek, szelepek és szerelvények nagynyomású csatlakoztatására.
A PN 40 karimák méretei:
A PN 40 karimák méretei, beleértve a külső átmérőt, a furat átmérőjét, a csavarfurat méretét, a csavarkör átmérőjét, a vastagságot és az agy átmérőjét, a DIN EN 1092-1 szabványban vannak szabványosítva. Ezek a méretek biztosítják a kompatibilitást és a felcserélhetőséget.



A PN 40 karimák típusai:
A PN 40 karimák különféle típusokat tartalmazhatnak, például:
Hegesztett nyakkarimák
Felcsúsztatható karimák
Menetes karimák
Vakkarimák
Aljzathegesztési karimák
Méretek:
A PN 40-es karimák többféle méretben kaphatók a különböző csőátmérőkhöz. Az általános méretek DN 10-től DN 2000-ig terjednek, a gyártó specifikációitól és követelményeitől függően.
Anyagok:
A PN 40 karimák különféle anyagokból gyárthatók, többek között:
Szénacél (pl. ASTM A105)
Rozsdamentes acél (pl. ASTM A182 F304/F304L, F316/F316L)
Ötvözött acél (pl. ASTM A182 F11, F22)
Öntöttvas (pl. EN-GJS-400-15)
Alkalmazások:
A PN 40 karimákat általában nagynyomású alkalmazásokban használják, ahol a folyadéknyomás nem haladja meg a PN 40 besorolást. Ezek az alkalmazások a következőket tartalmazhatják:
Vegyi feldolgozás
Petrolkémiai üzemek
Olaj- és gázipar
Energiatermelés
Nagynyomású ipari csőrendszerek
Kérdések és válaszok:
Q:Melyek a PN 40-es karimák jellemző méretei?
A:A PN 40 karimák méretei a DIN EN 1092-1 szabványban vannak megadva, és tartalmazzák a külső átmérőt, a furat átmérőjét, a csavarfurat méretét, a csavarkör átmérőjét, a vastagságot és az agy átmérőjét.
Q:Milyen anyagok alkalmasak PN 40 karimákhoz?
A:A PN 40 karimák olyan anyagokból készülhetnek, mint a szénacél, rozsdamentes acél, ötvözött acél és öntöttvas. Az anyagválasztás olyan tényezőktől függ, mint a nyomás, a hőmérséklet, a korrózióállóság és a folyadékkompatibilitás.
Q:Mely iparágakban használják általában a PN 40-es karimákat?
A:A PN 40 karimákat különféle iparágakban alkalmazzák, beleértve a vegyi feldolgozást, a petrolkémiai üzemeket, az olaj- és gázipart, az energiatermelést és a nagynyomású ipari csőrendszereket. Megbízható csatlakozást biztosítanak csövek, szelepek és szerelvények összekötéséhez nagynyomású alkalmazásokban.
Népszerű tags: din hu 1092-1 pn 40 karimák méretei, Kína din en 1092-1 pn 40 karimák méretei gyártók, beszállítók
Akár ez is tetszhet
A szálláslekérdezés elküldése











