-
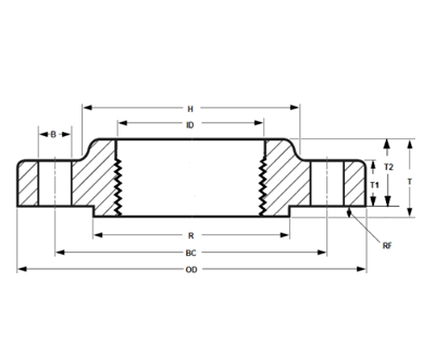
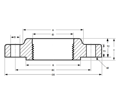
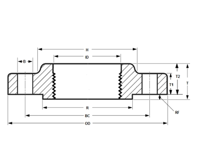
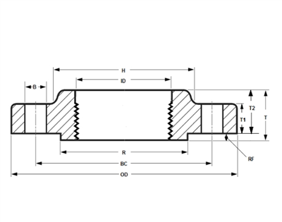
Mar 12, 2024ASME B16.5 menetes karima osztály 2500 hüvelykbenMENETES OSZTÁLY 2500 Menetes karima méretei osztály 2500 hüvelykben (ASME B16.5) ASME B16.5 menetes karimák esetén a méretek a névleges csőmérettől (NPS) és a nyomásosztálytól függ -
Mar 12, 2024ASME B16.5 menetes karima osztály 1500 hüvelykbenMENETES OSZTÁLY 1500 Menetes karima méretei osztály 1500 hüvelykben (ASME B16.5) ASME B16.5 menetes karimák esetén a méretek a névleges csőmérettől (NPS) és a nyomásosztálytól függ -
Mar 12, 2024ASME B16.5 menetes karima osztály 900 hüvelykbenMENETES OSZTÁLY 900 Menetes karima méretei: 900 hüvelyk (ASME B16.5) osztály 900 Menetes karimák: Névleges csőméret (NPS): 1/2 hüvelyk (DN 15) és 24 hüvelyk (DN 600) és nagyobb tar -
Mar 12, 2024ASME B16.5 menetes karima osztály 600 hüvelykbenMENETES OSZTÁLY 600 Menetes karima méretei, osztály 600 hüvelykben (ASME B16.5) A 600 osztályba tartozó ASME B16.5 menetes karimák esetében a méretek a karima névleges csőméretétől -
Mar 12, 2024ASME B16.5 menetes karima osztály 400 hüvelykbenASME B16.5 menetes karima osztály 400 hüvelykben -
Mar 12, 2024ASME B16.5 menetes karima osztály 300 hüvelykbenASME B16.5 menetes karima osztály 300 hüvelykben -
Mar 12, 2024ASME B16.5 menetes karima osztály 150 hüvelykbenASME B16.5 menetes karima osztály 150 hüvelykben -
Mar 12, 2024A 2500 osztályú hegesztőnyak karima méreteiÍme a 2500-as osztályú hegesztőnyak karima hozzávetőleges méretei az ASME B16.5 szabványoknak megfelelően, hüvelykben: Névleges csőméret (NPS): 1/2 hüvelyk (DN 15) és 24 hüvelyk (D -
Mar 12, 2024A 1500 osztályú hegesztőnyak karima méreteiÍme az 1500-as osztályú hegesztési nyakkarima hozzávetőleges méretei az ASME B16.5 szabványoknak megfelelően, hüvelykben: Névleges csőméret (NPS): 1/2 hüvelyk (DN 15) és 24 hüvelyk -
Mar 12, 2024A 900-as osztályú hegesztőnyak karima méreteiA 900-as osztályú hegesztőnyak karima méretei megfelelnek az ASME B16.5 szabványnak, és a karima névleges csőméretétől (NPS) függően változnak. Íme a 900-as osztályú hegesztőnyak k -
Mar 12, 2024A 600-as osztályú hegesztőnyak karima méreteiClass 600 Welding Neck A karima méretei az ASME B16.5 szabványoknak megfelelően a karima névleges csőméretétől (NPS) függően változnak. Az alábbiakban a 600-as osztályú hegesztőnya -
Mar 12, 2024A 400-as osztályú hegesztőnyak karima méreteiA 400-as osztályú hegesztőnyak karima méretei követik az ASME B16.5 szabványt, és más nyomásosztályokhoz hasonlóan a méretek a karima névleges csőméretétől (NPS) függően változnak.





